|
Presidência
da República |
DECRETO No 95.359, DE 3 DE DEZEMBRO DE 1987.
|
Dispõe sobre a execução do Quinto Protocolo Adicional ao Acordo Comercial nº 5, no Setor de Indústria Química. |
O PRESIDENTE DA REPÚBLICA, usando das atribuições que lhe confere o artigo 81, item III, da Constituição, e
CONSIDERANDO que o Tratado de Montevidéu, que criou a Associação Latino-Americana de Integração (ALADI), firmado pelo Brasil em 12 de agosto de 1980 e aprovado pelo Congresso Nacional, através do Decreto Legislativo nº 66, de 16 de novembro de 1981, prevê, no seu Artigo 7, a modalidade de Acordo de Alcance Parcial,
CONSIDERANDO que os Plenipotenciários do Brasil e da Argentina, com base no Tratado de Montevidéu-80, assinaram, aos 19 de agosto de 1986, em Montevidéu, o Quinto Protocolo Adicional ao Acordo Comercial nº 5, do Setor da Indústria Química.
DECRETA:
Art. 1º - O Quinto Protocolo Adicional ao Acordo Comercial nº 5, no Setor da Indústria Química, apenso por cópia ao presente Decreto, foi executado e cumprido tão inteiramente como nele se contém.
Art. 2º - O protocolo apenso vigorou até 31 de dezembro de 1986.
Art. 3º - Revogam-se as disposições em contrário.
Brasília, 03 de dezembro de 1987; 166º da Independência e 99º da República.
JOSÉ SARNEY
Ronaldo
Costa
ACORDO COMERCIAL Nº 5
Setor da indústria química
Quinto Protocolo Adicional
Os Plenipotenciários da República Argentina e da República Federativa do Brasil, acreditados por seus respectivos Governos - segundo poderes outorgados em boa e devida forma, depositados na Secretaria-Geral da Associação e como signatários do Acordo Comercial nº 5 da indústria química, convêm:
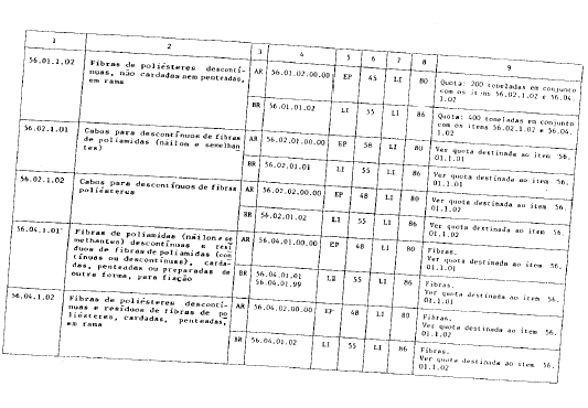
Artigo 1º. - Ampliar a lista de produtos e as preferências negociadas entre a República Argentina e a República Federativa do Brasil em 6 de dezembro de 1985 (Segundo Protocolo Adicional, Anexo 2), para beneficiar as importações originárias de seus respectivos territórios, nos termos e condições registradas no anexo ao presente Protocolo.
Artigo 2º. - As preferências outorgadas pelo presente Protocolo entrarão em vigor a partir da data de sua subscrição e caducarão em 31 de dezembro de 1986, sendo aplicável até esse momento, para esses produtos, as demais disposições do Acordo Comercial nº 5 no que corresponder.



A Secretaria-Geral da Associação será depositária do presente Protocolo do qual enviará cópias devidamente autenticadas aos Governos signatários.
EM FÉ DO QUE, os respectivos Plenipotenciários subscrevem o presente Protocolo na cidade de Montevidéu, aos dezenove dias do mês de agosto de mil novecentos e oitenta e seis, em um original nos idiomas português e espanhol, sendo ambos os textos igualmente válidos.
Pelo Governo da República Argentina:
Ricardo O. Campero
Pelo Governo da República Federativa do Brasil:
Fernando
Paulo Simas Magalhães
Montevidéu, 29 de agosto de 1986