|
Presidência
da República |
LEI No 5.661, DE 16 DE JUNHO DE 1971.
Cria a 3ª Auditoria da 2ª Circunscrição Judiciária Militar, e dá outras providências. |
O PRESIDENTE DA REPÚBLICA Faço saber que o CONGRESSO NACIONAL decreta e eu sanciono a seguinte Lei:
Art. 1º Fica criada a 3ª Auditoria da 2ª Circunscrição Judiciária Militar, no Estado de São Paulo, cuja sede coincidirá com a da respectiva Região Militar.
Art. 2º O art 3º e seu § 2º do
Decreto-lei 1.003, de 21 de outubro de 1969 (Lei de Organização judiciária militar), passam a ter a seguinte redação:"Art 3º Cada Circunscrição terá uma Auditoria, exceto a 1ª, que terá sete: duas com jurisdição privativa da Marinha, três do Exército e duas da aeronáutica; e as 2ª e 3ª, que terão três.
......................................................................................................................................
§ 2º Nas Circunscrições com uma ou mais Auditorias na mesma sede, terão estas jurisdição mista, ressalvada a jurisdição privativa estabelecida em lei; e, nas em que houver mais de uma, com sedes diferentes, caberá à primeira conhecer dos processos relativos à Marinha e à Aeronáutica, da Circunscrição, e ao Exército, nos limites de sua jurisdição, coincidindo sua sede com a da Região Militar. Quanto às demais, terão sua sede e jurisdição determinadas por decreto, de acôrdo com os limites que êste fixar".
Art. 3º Para a composição do quadro funcional da Auditoria de que trata o art. 1º desta Lei, são criados na Justiça Militar da União os seguintes cargos:
1 de Auditor de 1º Entrância;
1 de Auditor Substituto de 1º Entrância;
1 de Procurador de 3ª Categoria;
1 de Advogado de Ofício de 1ª Entrância.
Parágrafo único. Haverá na Auditoria, para cada um dos cargos de Procurador, de Advogado de Ofício e de Oficial de Justiça, dois substitutos, que funcionarão nas faltas, férias ou impedimentos do titular, percebendo, nestes casos, vencimentos equivalentes aos do substituído. Êsses substitutos não terão garantias de estabilidade.
Art. 4º O preenchimento dos cargos de que trata o artigo anterior e seu parágrafo único será feito na forma da legislação específica em vigor.
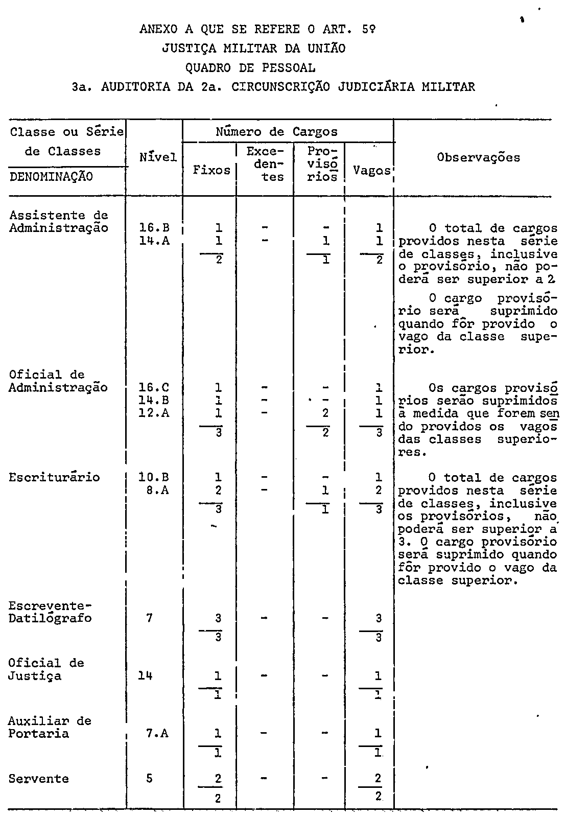
Art. 5º Ficam criados, no
Quadro de Pessoal da Justiça Militar da União, destinados à 3ª Auditoria da 2ª
Circunscrição Judiciária Militar, 15 (quinze) cargos das séries de classes de
Assistentes de Administração, Oficial de Administração e Escriturário e das
Classes de Auxiliar de Portaria, Escrevente-Datilógrafo, Oficial de Justiça e de
Servente, de conformidade com o Anexo.
(Revogado pela Lei nº 5.849, de 1972)
Parágrafo único. Os
vencimentos dos cargos de que trata êste artigo e a gratificação adicional por
tempo de serviço são os fixados na sistemática do Poder Executivo para cargos da
mesma denominação e classificação. (Revogado
pela Lei nº 5.849, de 1972)
Art. 6º Sòmente após a
verificação, junto ao órgão central do Sistema de Pessoal Civil do Poder
Executivo, da inexistência de servidores das correspondentes categorias
funcionais postos em disponibilidade e em condições de serem imediatamente
aproveitados na respectiva jurisdição, poderá ser feito o provimento dos cargos
criados pelo artigo anterior por candidatos habilitados em concurso público de
provas. (Revogado pela Lei nº 5.849, de 1972)
Parágrafo único. O
aproveitamento far-se-á mediante a seleção, pelo Superior Tribunal Militar, dos
servidores que revelarem aptidão para o exercício dos novos cargos.
(Revogado pela Lei nº 5.849, de 1972)
Art. 7º Na promoção e acesso
dos ocupantes dos cargos de provimento efetivo criados pelo art. 5º desta Lei
serão observadas as normas estabelecidas na sistemática de classificação do
Poder Executivo. (Revogado pela Lei nº 5.849,
de 1972)
Art. 8º É permitido o acesso
à classe inicial da série de classes de Oficial de Administração de ocupante de
cargo de Escriturário, nível 10-B; à classe inicial da série de classes de
Escriturário de ocupante de cargo da classe singular de Escrevente-Datilógrafo,
nível 7; e à classe de Auxiliar de Portaria de ocupante de cargo da classe
singular de Servente, nível 5. (Revogado pela
Lei nº 5.849, de 1972)
Art. 9º Para atender às despesas com a execução da presente Lei, fica o Poder Executivo autorizado a abrir ao Poder Judiciário - Superior Tribunal Militar, à conta do Fundo da Reserva Orçamentária, crédito suplementar até o montante de Cr$ 570.000,00 (quinhentos e setenta mil cruzeiros), sendo Cr$ 370.000.00 (trezentos e setenta mil cruzeiros) para as despesas de custeio de Pessoal, Cr$ 100.000,00 (cem mil cruzeiros) para as Despesas de outros custeios e Cr$ 100.000,00 (cem mil cruzeiros) para as Despesas de Capital - investimentos.
Art. 10. Esta Lei entrará em vigor na data de sua publicação.
Art. 11. Revogam-se as disposições em contrário.
Brasília, 16 de junho de 1971; 150º da Independência e 83º da República.
EMÍLIO G. MÉDICI
Alfredo Buzaid
José Flávio Pécora
João Paulo dos Reis Velloso
Este texto não substitui o publicado no DOU de 17.6.1971

*